E-R 9:00-17:30 Ei leidnud vajalikku toodet? Kirjuta meile aadressil abcparts.eesti@gmail.com või täida vorm — leiame kõik, mida vajad!


EST
VW
Легковые
Грузовые
Мотоциклы
ABARTH
ACURA
AIXAM
ALFA ROMEO
ALPINA
ALPINE
ASTON MARTIN
AUDI
BAW
BEIJING
BENTLEY
BMW
BRILLIANCE
BUGATTI
BUICK
BYD
CADILLAC
CHANGAN
CHERY
CHEVROLET
CHRYSLER
CITROËN
CUPRA
DACIA
DAEWOO
DAF
DAIHATSU
DAIMLER
DATSUN
DODGE
DS
FAW
FERRARI
FIAT
FORD
FORD USA
GAZ
GEELY
GENESIS
GMC
HAVAL
HOLDEN
HONDA
HUMMER
HYUNDAI
INFINITI
ISUZU
IVECO
JAC
JAGUAR
JEEP
KIA
LADA
LAMBORGHINI
LANCIA
LAND ROVER
LEXUS
LIFAN
LIGIER
LINCOLN
LOTUS
MASERATI
MAZDA
MCLAREN
MERCEDES-BENZ
MG
MINI
MITSUBISHI
MOSKVICH
NISSAN
OLDSMOBILE
OPEL
PEUGEOT
PLYMOUTH
PONTIAC
PORSCHE
RENAULT
RENAULT TRUCKS
ROLLS-ROYCE
ROVER
SAAB
SEAT
SHELBY
SKODA
SMART
SSANGYONG
SUBARU
SUZUKI
TATA
TESLA
TOYOTA
UAZ
VAUXHALL
VOLVO
VW
JETTA II
Год
1.8
Мой гараж
Добавить в гараж
Мой гараж
Пусто
Мой гараж
Добавить в гараж
Мой гараж
Пусто

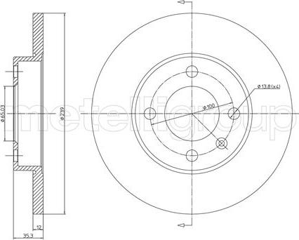
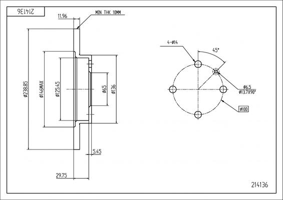
Тормозной диск, VW JETTA II, 1.8 1985-1992, HT, RV

Производитель

Ничего не найдено..
4U Autoparts 2
ABAKUS 1
ABE 3
A.B.S. 8
ACDelco 1
AISIN 1
Alco Filter 1
ALTE AUTOMOTIVE 3
AP 3
APEC 1
AP XENERGY 1
ASAM 2
Ashika 3
Ashuki 2
ATE 1
Autex 1
A.Z. Meisterteile 2
BENDIX 3
BENDIX Braking 4
Blue Print 3
BOGAP 4
BÖLK 3
Borg & Beck 3
BOSCH 11
Bradi 1
Brake Engineering 4
Breck 3
Breco 2
Brembo 3
Bremsi 1
BSF 4
BSG 1
BTAP 2
Burig 1
CAR 1
Cartechnic 1
Champion 2
CIDAK 1
Cifam 2
Comline 9
CRC 1
DACO Germany 4
Danaher 5
DANBLOCK 3
DAVID VASCO 2
Delphi 5
Denckermann 1
DJ Auto 1
DON 3
Dr!ve+ 4
EBC Brakes 10
EBI 1
EGT 6
Eurobrake 7
EUROREPAR 9
Farcom 1
Febi Bilstein 3
Fenox 1
Ferodo 6
FI.BA 1
First Line 1
Fri.Tech. 2
FTE 5
GH 4
Girling 6
Graf 1
Hart 5
HELLA 9
HELLA PAGID 9
Icer 4
IPD 1
Japanparts 4
Japko 3
Juratek 1
Jurid 4
Kamoka 1
Kavo Parts 1
Kawe 1
Klaxcar France 1
KND Germany 1
LPR 9
LUCAS 1
LYNXauto 2
Magneti Marelli 4
Mando 3
Mapco 1
MASTER-SPORT 23
Maxgear 10
Maxtech 21
Metelli 2
Metzger 1
Meyle 1
Mintex 4
Motaquip 4
MOTRIO 3
NATIONAL 1
Necto 2
NK 8
NPS 1
Omnicraft 1
Open Parts 1
Optimal 1
OSSCA 3
Pagid 5
Pemebla 1
Pex 1
Pilenga 1
Procodis France 1
Profit 1
Protechnic 1
QUARO 3
Quinton Hazell 1
RAP BRAKES 4
R Brake 3
Remsa 4
Remy 4
RIDEX 8
Roadhouse 4
Rotinger 18
Samko 9
Sasic 5
SBS 1
SCT-MANNOL 1
Simer 1
SKF 4
Stark 7
Starline 1
Stop 1
ST-Templin 10
Swag 3
Textar 7
TOMEX brakes 3
Topran 3
TQ 4
Trevi Automotive 1
Trialli 2
Triscan 5
Trucktec Automotive 1
Trusting 2
TRW 7
VAICO 3
Valeo 6
VECO 1
Vika 3
Villar 2
Wagner 2
Woking 1
WXQP 2
Zekkert 1
Zimmermann 1
Сортировать по:
Наличию
Наименьшей цене
Сроку доставки
Наличию
Рейтингу
Товаров: 470
Фильтры
Нет в наличии
Запросить цену
Нет в наличии
Запросить цену
Нет в наличии
Запросить цену
Нет в наличии
Запросить цену
Нет в наличии
Запросить цену
Нет в наличии
Запросить цену
Нет в наличии
Запросить цену
Нет в наличии
Запросить цену
Нет в наличии
Запросить цену
Нет в наличии
Запросить цену
Нет в наличии
Запросить цену
Нет в наличии
Запросить цену
Нет в наличии
Запросить цену
Нет в наличии
Запросить цену
Нет в наличии
Запросить цену
Нет в наличии
Запросить цену
Нет в наличии
Запросить цену
Нет в наличии
Запросить цену
Нет в наличии
Запросить цену
Нет в наличии
Запросить цену
Нет в наличии
Запросить цену
Страница:
1 ... 5 6 7 8 9 10 11 12 13 ... 24
[data limited]